行业动态
洞察趋势,引领行业发展
发布者:搪玻璃反应釜 时间:2023-04-04
中 华 人 民 共 和 国 化 工 行 业 标 准
HG/T 2036-2005
代替 HG/T 2036一1991
搪玻璃容器参数
前言
本标准代替HG/T 2036- 1991《搪 玻璃容器参数》。本标准参照了DIN 28018《搪玻璃压力容器0. 063 m3 ~10 m3》、DIN 28019《搪玻璃压力容器12. 5 m3~125 m3》以及DIN 28136 第一部分《搅拌容器主要尺寸》的部分内容,并结合 了我国搪玻璃行业的国情。
本标准与HG/T 2036- 1991 相比主要变化如下:
——搪玻璃开式搅拌容器的公称容积由50L至5000L扩大到50L至8000L,增加了6300L和8000L两个公称容积;
——搪玻璃闭式搅拌容器的公称容积由2500L至20000L扩大到2500L至40000L,增加了25 000L、30 000 L、40000 L三个公称容积;
——搪玻璃开式贮存容器的公称容积由50L至5000L扩大到50L至8000 L,增加了2 500 L、6300L、8000L三个公称容积;
——搪玻璃闭式贮存容器的公称容积由3000L至30000L扩大到1000L至80 000L,增加了1000L、1250L、1500L、2000L、2500L、40000L、50000L、63000L、80000L九个公称容积;
——搪玻璃卧式贮存容器的公称容积由3000L至30000L扩大到1500L至80000L,增加了1 500 L、2 000 L、2 500 L、40 000 L、50 000 L、63 000 L、80000 L七个公称容积;
——对H值重新进行了定义,并对表格进行了重新编排。
本标准由中国石油和化学工业协会提出。
本标准由全国搪玻璃设备标准化技术委员会归口。
本标准起草单位:中国石化集团上海工程有限公司。
本标准主要起草人:周惠萍、汪扬、钱小燕。
本标准所代替标准的历次版本发布情况为:
——HG/T 2036- 1991。
搪玻璃容器参数
1范围
本标准规定了搪玻璃搅拌容器和搪玻璃贮存容器的型式、基本参数及主要尺寸。
本标准适用于公称压力小于或等于1.0 MPa,公称容积50L至40000L的搪玻璃搅拌容器,以及公称压力小于或等于0.6 MPa,公称容积50L至80 000 L的搪玻璃贮存容器。
2规范性引用文件
下列文件中的条款通过本标准的引用而成为本标准的条款。凡是注日期的引用文件,其随后的所有修改单(不包括勘误的内容)或修订版均不适用于本标准.然而,鼓励根据本标准达成协议的各方研究是否可使用这些文件的最新版本。凡是不注日期的引用文件,其最新版本适用于本标准。
GB/T 7996搪玻璃 容器公称容积与公称直径
B/T 4746 钢制压力容器用封头
3型式、基本参数及主要尺寸
3.1 型式
搪玻璃搅拌容器分为开式搅拌容器和闭式搅拌容器.搪玻璃贮存容器分为开式贮存容器、闭式贮存容器和卧式贮存容器,公称容积和公称直径应符合GB/T 7996 的规定,封头应符合JB/T 4746的规定。
3.2 基本参数和主要尺寸
3.2.1搪玻璃开式搅拌容器公称容积为50L至8000L,基本参数和主要尺寸按图1及表1的规定。


3.2.2 搪玻璃闭式搅拌容器公称容积为 2500 L至 40000 L,基本参数和主要尺寸按图 2及表 2的规定 。

3.2.3搪玻璃开式贮存容器公称容积为 50L至 8000L,基本参数和主要尺寸按图 3及表3的规定 。

3.2.4 搪玻璃闭式贮存容器公称容积为 1000L至80000 L,基本参数和主要尺寸按图 4及表4的规定 。

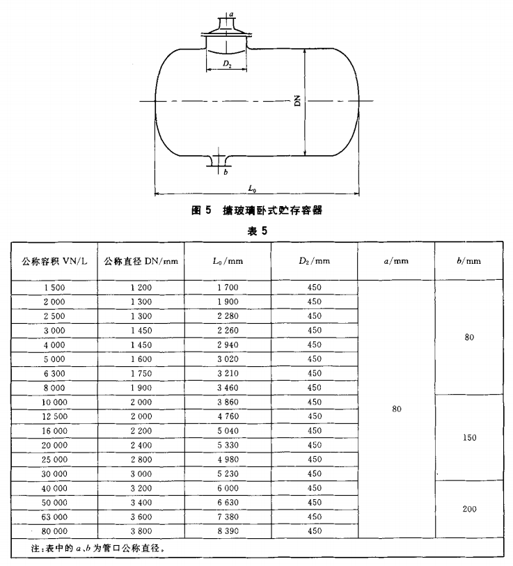
3.2.5 搪玻璃卧式贮存容器公称容积为 1 500 L至 80000 L,基本参数和主要尺寸按图5及表5的规定 。
