
搪玻璃储罐(也称计量罐),是一种存放酸、醇、气体等危险品原料的搪玻璃设备,分为卧式搪玻璃储罐、立式开式搪玻璃储罐(即K型搪玻璃储罐)、立式闭式搪玻璃贮罐(即F型搪玻璃储罐),用作抽真空,可配置夹套对相应原料进行加热、保温,用途于石油、化工、粮油、食品、消防、交通、冶金、国防等行业。
特点:
1、表面光滑,易于清洗和保养。不易附着物质,易于清洗。
2、质地坚硬,抗压性能好,不易碎裂。可以承受较大的压力。
3、防止外部气体、水分、微生物等对罐内贮存物质的污染和影响。搪玻璃储罐的密封性较好,可以有效防止外部气体、水分、微生物等对罐内贮存物质的污染和影响。
属性名称 | 参数值 |
材质 | 碳钢内搪玻璃 |
设计压力(Mpa) | 0.4/0.6/1.0 |
设计温度(℃) | -19~200 |
搪瓷厚度(mm) | 0.8~2.0 |

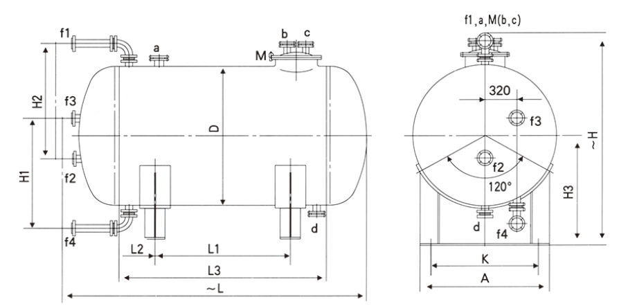
公称容积 | 实际容积 | 主要尺寸 | 重量 | ||||||||||
D | H1 | H2 | H3 | H | L1 | L2 | L3 | L | A | K | |||
| 3000 | 3337 | 1450 | 1100 | 1200 | 1089 | 2146 | 934 | 260 | 1454 | 2288 | 1300 | 1090 | 1700 |
| 4000 | 4457 | 1450 | 1100 | 1200 | 1089 | 2146 | 1494 | 320 | 2134 | 2966 | 1300 | 1090 | 2000 |
| 5000 | 5550 | 1600 | 1200 | 1200 | 1166 | 2300 | 1420 | 360 | 2140 | 3052 | 1430 | 1180 | 2500 |
| 6300 | 7024 | 1750 | 1300 | 1300 | 1243 | 2454 | 1474 | 390 | 2254 | 3246 | 1560 | 1300 | 3200 |
| 8000 | 8910 | 1900 | 1300 | 1400 | 1318 | 2604 | 1590 | 420 | 2430 | 3496 | 1690 | 1420 | 3800 |
| 10000 | 11094 | 2000 | 1400 | 1400 | 1368 | 2704 | 1880 | 450 | 2780 | 3900 | 1780 | 1490 | 4700 |
| 12500 | 13920 | 2000 | 1400 | 1400 | 1368 | 2704 | 2740 | 470 | 3680 | 4800 | 1780 | 1490 | 5700 |
| 16000 | 17756 | 2200 | 1500 | 1500 | 1470 | 2098 | 2908 | 500 | 3840 | 5080 | 1950 | 1680 | 6700 |
| 20000 | 22332 | 2400 | 1600 | 1600 | 1572 | 3112 | 3112 | 550 | 4030 | 5374 | 2130 | 1890 | 8300 |
| 25000 | 27790 | 2800 | 1800 | 1900 | 1774 | 3516 | 3516 | 600 | 3480 | 5028 | 2470 | 2240 | 9900 |
| 30000 | 33300 | 3000 | 1900 | 2000 | 1876 | 3720 | 3720 | 630 | 3630 | 5282 | 2650 | 2430 | 12300 |
| 40000 | 42100 | 3000 | 1900 | 2000 | 1876 | 3720 | 3720 | 630 | 4860 | 6512 | 2650 | 2430 | 15900 |
| 50000 | 52630 | 3000 | 1900 | 2000 | 1876 | 3720 | 3720 | 630 | 6348 | 8000 | 2650 | 2430 | 19800 |
搪玻璃卧式储罐管口尺寸表 (3000-50000L)
| 公称容积 | 管口公称直径 DN | |||||
| a | b | c | d | f1-4 | M | |
| 3000 | 80 | 70 | 70 | 80 | 70 | 400 |
| 4000 | 80 | 70 | 70 | 80 | 70 | 400 |
| 5000 | 80 | 70 | 70 | 80 | 70 | 400 |
| 6300 | 80 | 70 | 70 | 80 | 70 | 400 |
| 8000 | 80 | 70 | 70 | 80 | 70 | 400 |
| 10000 | 100 | 80 | 80 | 100 | 70 | 450 |
| 12500 | 100 | 80 | 80 | 100 | 70 | 450 |
| 16000 | 100 | 80 | 80 | 100 | 70 | 450 |
| 20000 | 100 | 80 | 80 | 100 | 70 | 450 |
| 25000 | 100 | 80 | 80 | 100 | 70 | 450 |
| 30000 | 100 | 80 | 80 | 100 | 70 | 450 |
| 40000 | 100 | 80 | 80 | 100 | 70 | 450 |
| 50000 | 100 | 80 | 80 | 100 | 70 | 450 |
搪玻璃储罐产品规格
卧式搪玻璃储罐标准型号:3000L\4000L\5000L\6300L\8000L\10000L\12500L\16000L\20000L\25000L\30000L\40000L\50000L
F型搪玻璃储罐标准型号:3000L\5000L\6300L\8000L\10000L\12500L\16000L\20000L\30000L\50000L
K型搪玻璃储罐标准型号:200L\300L\500L\1000L\2000L
也可根据客户需求非标定制
搪玻璃储罐细节展示



